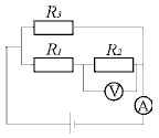
19. В приведенной схеме R1=4 Ом, R2=6 Ом и R3=5 Ом. Каково показание вольтметра (В), если показание амперметра равно 3 А? Внутренним сопротивлением источника пренебречь. 
|
|
A) 4 |
B) 6 |
C) 2 |
D) 8 |
| |
Правильный ответ: |
B |
| |
|
|
| |
Категория: |
Электричество и магнетизм |
|
В начало | Предыдущий | Следующий
|