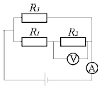
18. В приведенной схеме R1=3 Ом, R2=2 Ом и R3=10 Ом. Каково показание вольтметра (В), если показание амперметра равно 1,5 А? Внутренним сопротивлением источника пренебречь. 
|
|
A) 1 |
B) 2 |
C) 3 |
D) 4 |
| |
Правильный ответ: |
B |
| |
|
|
| |
Категория: |
Электричество и магнетизм |
|
В начало | Предыдущий | Следующий
|