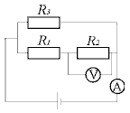
21. В приведенной схеме R1=90 Ом, R2=40 Ом и R3=50 Ом. Каково показание вольтметра (В), если показание амперметра равно 9 А? Внутренним сопротивлением источника пренебречь. 
|
|
A) 100 |
B) 80 |
C) 120 |
D) 60 |
| |
Правильный ответ: |
A |
| |
|
|
| |
Категория: |
Электричество и магнетизм |
|
В начало | Предыдущий | Следующий
|