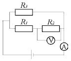
20. В приведенной схеме R1=30 Ом, R2=10 Ом и R3=20 Ом. Каково показание вольтметра (В), если показание амперметра равно 9 А? Внутренним сопротивлением источника пренебречь. 
|
|
A) 100 |
B) 60 |
C) 80 |
D) 30 |
| |
Правильный ответ: |
D |
| |
|
|
| |
Категория: |
Электричество и магнетизм |
|
В начало | Предыдущий | Следующий
|