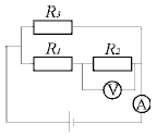
29. В приведенной схеме R1=5 Ом, R2=7 Ом и R3=6 Ом. Каково показание вольтметра (В), если показание амперметра равно 3 А? Внутренним сопротивлением источника пренебречь. 
|
|
A) 5 |
B) 4 |
C) 6 |
D) 7 |
| |
Правильный ответ: |
D |
| |
|
|
| |
Категория: |
Электричество и магнетизм |
|
В начало | Предыдущий | Следующий
|