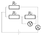
27. В приведенной схеме R1=5 Ом, R2=6 Ом и R3=22 Ом. Каково показание вольтметра (В), если показание амперметра равно 3 А? Внутренним сопротивлением источника пренебречь. 
|
|
A) 15 |
B) 12 |
C) 20 |
D) 10 |
| |
Правильный ответ: |
B |
| |
|
|
| |
Категория: |
Электричество и магнетизм |
|
В начало | Предыдущий | Следующий
|