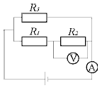
23. В приведенной схеме R1=7 Ом, R2=5 Ом и R3=6 Ом. Каково показание вольтметра (В), если показание амперметра равно 1,5 А? Внутренним сопротивлением источника пренебречь. 
|
|
A) 1,5 |
B) 2,5 |
C) 0,5 |
D) 4 |
| |
Правильный ответ: |
B |
| |
|
|
| |
Категория: |
Электричество и магнетизм |
|
В начало | Предыдущий | Следующий
|