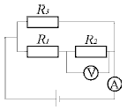
28. В приведенной схеме R1=5 Ом, R2=4 Ом и R3=18 Ом. Каково показание вольтметра (В), если показание амперметра равно 1,5 А? Внутренним сопротивлением источника пренебречь. 
|
|
A) 4 |
B) 6 |
C) 2 |
D) 3 |
| |
Правильный ответ: |
A |
| |
|
|
| |
Категория: |
Электричество и магнетизм |
|
В начало | Предыдущий | Следующий
|