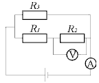
18. В приведенной схеме R1=50 Ом, R2=30 Ом и R3=40 Ом. Каково показание вольтметра (В), если показание амперметра равно 9 А? Внутренним сопротивлением источника пренебречь. 
|
|
A) 140 |
B) 150 |
C) 90 |
D) 120 |
| |
Правильный ответ: |
C |
| |
|
|
| |
Категория: |
Электричество и магнетизм |
|
В начало | Предыдущий | Следующий
|