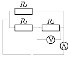
30. В приведенной схеме R1=40 Ом, R2=60 Ом и R3=50 Ом. Каково показание вольтметра (В), если показание амперметра равно 6 А? Внутренним сопротивлением источника пренебречь. 
|
|
A) 150 |
B) 120 |
C) 100 |
D) 60 |
| |
Правильный ответ: |
B |
| |
|
|
| |
Категория: |
Электричество и магнетизм |
|
В начало | Предыдущий | Следующий
|